科派公司項目部吳洋技術論文被“中國石油和化工”雜志收錄
科派(上海)機電科技有限公司項目部吳洋與中國石油大港石化公司***聯合車間陶雪共同合作編著的“氣相清洗在常減壓裝置停工中的應用”論文收錄于“中國石油和化工”雜志2015年第11期。文章中詳細介紹了氣相清洗相比較液相清洗和鈍化具有清洗徹底、排污量少、清洗效率高等天然優勢。以下為詳細內容:
氣相清洗在常減壓裝置停工中的應用
陶雪吳洋于長流
中國石油大港石化公司***聯合車間300280
摘要:2014年大檢修常減壓裝置***引進氣相清洗技術,該技術是在煉廠停工過程中通過吹掃蒸汽將化學試劑帶入煉油化工裝置中,***終快速、***的去除裝置中硫化亞鐵,硫化氫等物質,保證煉油化工裝置無毒、無害、無爆點,實現完全凈化。裝置在進入蒸塔階段后,首先使用帕拉特恩D742試劑去除重油,然后使用帕拉特恩D740試劑除臭、鈍化,消除裝置中硫化亞鐵和硫化氫、硫醇等有害物質。由于試劑直接加入蒸汽中,隨吹掃蒸汽清洗設備,分布相對均勻。本文針對氣相清洗相比較液相清洗和鈍化,經過多方面的比較可以看出氣相清洗具有清洗徹底、排污量少、清洗效率高等優勢。由于該技術剛引進國內,在現場施工方面需要注意使用方法,***后結合氣相清洗在常減壓裝置的應用情況,提出整改建議及措施。
Summary:It is the first time to use vapour phase chemical cleaning in CDU unit in 2014 TAR.
This technology used in refinery shutdown window.The chemical product was carried to the
system by steam and eliminate the iron sulfur and hydrogen sulfide to acheive completely
safety for man in.After deinventorary the Paratene D742 is used when the system start to
steam out to remove the heavy hydrocarbon. Then use Paratene D740 to eliminate iron sulfide
and hydrogen sulfide.As the paratene product is carried with steam so it is well distributed
in system. In this article it mainly compared the advantages of vapour phase chemical cleaning
with liquid phase chemical cleaning. In the end it list the problem of how to use this
technology right and suggestions.
關鍵詞:氣相清洗、硫化亞鐵、帕拉特恩試劑
Keywords: vapour phase chemical cleaning, iron sulfide,Paratene product
前言
中國石油天然氣股份有限公司大港石化分公司常減壓蒸餾裝置設計加工能力為500萬噸/年(操作彈性60~120%)。在歷年停工過程中,常減壓裝置面臨換熱流程長、換熱設備多、停工吹掃難度大、蒸汽供應量不足的問題,同時操作人員體力消耗大。在檢修階段,塔內容器中存在的硫化亞鐵有發生自燃的幾率,需要進行鈍化反應去除硫化亞鐵。
1、歷年裝置清洗的應用情況
常減壓裝置在2011年3月停車中,***將重油換熱系統及減壓塔下部填料進行柴油化學清洗,化學清洗以常壓直餾柴油為溶劑,置換主流程后,系統閉路升溫,通過加入油溶性清洗劑,改變油垢的溶解性能,使之溶解于柴油中,使吹掃過程中裝置操作人員的勞動強度和換熱設備再次清理費用降低,停工檢修時間縮短,清洗結束后,將污油回收,可以重新回煉,降低損失。從實施效果看,由于局部存在盲頭,在死角位置仍有油垢未被清理徹底,在柴油清洗結束后,仍需要用蒸汽進行吹掃。與以往停工效果對比,檢修中換熱器管束清洗數量大幅度降低。
歷次常減壓裝置停工都對減壓塔進行鈍化清洗,防止減壓塔在施工過程中發生硫化亞鐵自燃。其過程是在停工蒸汽吹掃完畢后,對減壓塔進行了硫化亞鐵***鈍化清洗,去除硫化亞鐵等易燃物質。從減壓塔頂部打入鈍化劑,分別建立減一中、減二中的中段循環,塔底回收鈍化劑重復利用。但是在實施效果上,由于在生產過程中減三填料和過汽化油段腐蝕嚴重,中段液相回流不能均勻的分布于填料層上,局部沒有反應到,因此影響了鈍化的效果。
2、氣相清洗的應用
2014年常減壓裝置***引進上海堇辛公司的停工氣相清洗技術。在使用過程中,裝置降溫降量,主流程基本退油結束后,進入蒸塔階段,首先使用D742試劑去除重油,然后使用D740試劑除臭、鈍化,消除裝置中硫化亞鐵和硫化氫、硫醇等有害物質。由于試劑直接加入蒸汽中,隨吹掃蒸汽清洗設備,分布相對均勻。相比較液相清洗和鈍化理論上優勢明顯。
2.1清洗試劑
?。?)D742
D742是一種溶于水的表面活性劑,可以去除工藝設備中的重烴類殘留物。D742通過蒸汽帶動進入裝置中乳化去除工藝設備金屬表面的重烴類殘留物?;煊蠨742的溶劑可以有效地去除那些單獨依靠蒸汽或化學試劑無法處理的重烴類殘留物,D742不含無機成分而且可以完全溶解在水中并百分百生物降解。
?。?)D740
D740是一種溶于水的表面活性劑,可以去除工藝設備中的烴類殘留物。D740可以在水中將烴類物質微乳化溫和的氧化去除殘留的硫化氫(H2S)和硫化鐵(FeS),也可以降低各類氣體的爆炸下限,控制苯,甲苯,二甲苯。
2.2清洗過程
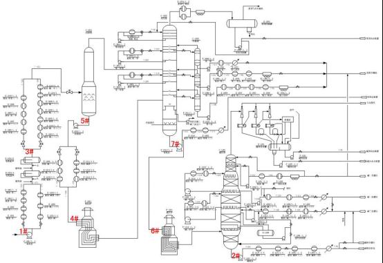
裝置開始降溫降量后,常減壓裝置各系統陸續開始停工退油,主流程引柴油置換,閉路循環升溫清洗,此過程區別以往化學清洗,不進行加劑,閉路清洗結束后退柴油。基本退油結束后,三塔(閃蒸塔、常壓塔、減壓塔)進入蒸塔階段,通過6小時蒸塔,將主流程內需要清洗的裝置(閃蒸塔系統、常壓塔系統、減壓塔系統)溫度提升至100-130℃;條件具備后,進入到加劑階段,其中加劑點7處,具體如下圖:

圖-1停工氣相清洗流程示意圖
PIDdrawingofCDU
氣相清洗覆蓋區域和清洗試劑用量如下表:
表-1D742清洗數據 PARATENE D742 CLEANING DATA
注點 Injection points | 注射位置 Injection location | 清洗范圍 cleaning scale | 注射速率l/m injection flow | 試劑用量L Chemical | 清洗用時 Time |
1# | 原油泵入口 Inlet of crude pump | 脫前換熱器 exchanges | 3.3 | 220 | 5 |
3# | 電脫鹽罐 Electric desalt tank | 脫后換熱器,閃蒸塔 Exchanges, flash tower | 4.1 | 200 | 4 |
5# | 閃底泵出口 Outlet of pump in flash tower | 閃底換熱器 Flash tower exchangers | 3.7 | 120 | 4.5 |
4# | 常壓爐前四路 Atmosphere heater coils | 常壓爐,常壓塔 Atmosphere heater, atmosphere tower | 4.1 | 150 | 4 |
6# | 減壓爐前六路 Vacuum heater coils | 減壓爐,減壓塔 Vacuum heater, vacuum tower | 4.1 | 360 | 4 |
7# | 常壓泵出口 Outlet of pump in atmosphere | 常底換熱器 Exchangers in atmosphere tower | 4.1 | 200 | 4 |
2# | 減底泵出口 Outlet of pump in Vacuum | 減底換熱器 Exchangers in vacuum tower | 3.7 | 150 | 4.5 |
表-2D740清洗數據 PARATENE D740 CLEANING DATA
注點 Injection points | 注射位置 Injection location | 清洗范圍 cleaning scale | 注射速率l/m injection flow | 試劑用量L Chemical | 清洗用時 Time |
1# | 原油泵入口 Inlet of crude pump | 脫前換熱器 exchanges | 1.38 | 400 | 12 |
3# | 電脫鹽罐 Electric desalt tank | 脫后換熱器,閃蒸塔 Exchanges, flash tower | 1.38 | 400 | 12 |
5# | 閃底泵出口 Outlet of pump in flash tower | 閃底換熱器 Flash tower exchangers | 1.38 | 400 | 12 |
4# | 常壓爐前四路 Atmosphere heater coils | 常壓爐,常壓塔 Atmosphere heater, atmosphere tower | 1.38 | 400 | 12 |
6# | 減壓爐前六路 Vacuum heater coils | 減壓爐,減壓塔 Vacuum heater, vacuum tower | 2.66 | 1000 | 12.5 |
7# | 常壓泵出口 Outlet of pump in atmosphere | 常底換熱器 Exchangers in atmosphere tower | 1.38 | 500 | 12 |
2# | 減底泵出口 Outlet of pump in Vacuum | 減底換熱器 Exchangers in vacuum tower | 1.33 | 400 | 12.5 |
各注入點首先向系統內注入D742,乳化系統內重油,持續清洗4小時,待D742清洗結束后,更換試劑,使用D740,試劑進入裝置后使用專用試紙檢測清洗情況,持續清洗12小時直至清洗結束。

圖-2停工氣相清洗時間軸
Vapour phase cleaning timeline
常減壓裝置清洗裝置總容積大?。?621m3;共使用D742試劑7桶;使用D740試劑17.5桶。
3、氣相清洗效果及分析
3.1氣相清洗效果
?。?)氣相清洗主要針對常減壓裝置內的重油以及硫化氫(H2S)、硫化亞鐵(FeS)、輕烴進行清洗,經過清洗后裝置設備內部無重油、硫化氫等有毒氣體含量為0,現場觀察裝置內部換熱器、塔類容器局部有油泥殘留,大部分設備可以見到裝置內壁金屬色澤。如圖-3~6所示。

圖-3減渣(1)-閃底E-1210/3.4
Diagram 3 Reisdue(1)-Flash bottom E-1210/3.4

圖-4減渣(1)-閃底E-1210/1.2
Diagram 4 Reisdue(1)-Flash bottom E-1210/1.2

圖-5脫后-減二E-1206/1.2 圖-6脫后-減一中E-1218/1.2
Diagram 5 lightlubeoil E-1206/1.2 Diagram 6 EAS-E1218/1.2
?。?)清洗結束打開設備人孔,操作員攜帶儀器檢測,硫化氫報警儀無報警。但是塔類容器的上部清洗效果不佳。中下部由于使用氣相清洗,利用蒸汽較好的流動性,可到達裝置各個角落,較液相清洗能夠做到均勻分布、凈化徹底。
?。?)清洗鈍化使用氣相清洗,未產生鈍化廢水等污染物,減輕了污水處理負荷。統計配劑用水10.76t,而2012年液相鈍化用水236噸,且鈍化產生的排污廢水需要單獨處理,增加了后續處理的費用。
(4)2014年停工使用氣相清洗技術總耗時85小時,而2012年運用柴油化學清洗和液相鈍化總耗時99.3小時,使用氣相清洗后停工較上次節約14.3小時,同時延長減壓塔蒸塔時間7小時。
?。?)由于本次清洗的裝置沒有同時停工,這樣客觀的延長了氣相清洗的施工時間,每套裝置清洗的具體時間為:蒸塔及脫前、脫后換熱器清洗時間20小時,常壓塔及閃底換熱器清洗時間20小時,減壓塔清洗時間21小時,由此可見如果裝置可以同時停工,或盡可能多的將大部分裝置同時交出,這樣就可以充分利用氣相清洗時間短、效率高的優勢,大大縮短清洗施工時間。
3.2清洗效果分析
?。?)加注試劑存在問題
?、僭噭┘幼⒈脼橛⒏袼魈m隔膜泵,使用0.4MPa非凈化風作為動力,在背壓超過0.45MPa時,試劑不能正常加注。而裝置蒸汽吹掃期間,正常進裝置蒸汽壓力在0.7MPa以上,為保證試劑正常加注,人為關小給汽閥降低注劑背壓。由于原油流程換熱器數量較多,關小蒸汽給汽閥后,蒸汽線速降低,降低吹掃效果,尤其是流程末端,換熱器存在局部存油泥情況,如圖-7所示:

圖-7閃底-減二中E-1213/3.4
Diagram 7 Flash tower exchangers E-1213/3.4
而在塔類容器中,由于蒸汽不足,上部塔盤蒸塔效果也不盡如人意。如圖-8/9。

圖-8 減壓塔減一冷回流分布器側面
Diagram 8 vacuum tower cold reflux distributor in first

圖-9 減壓塔減一冷回流分布器正面
Diagram 9 vacuum tower cold reflux distributor in first
?。?)處理經驗:
①選擇更高壓力的隔膜泵,或者使用加壓設備,提高注射效率使帕拉特恩清洗試劑充分進入裝置達到清洗效果。
?、趶S家提供足夠的蒸汽,使蒸汽攜帶帕拉特恩試劑達到裝置各部位,保證清洗質量。
(2)減壓塔鈍化效果
減壓塔鈍化現場監測使用HydrionpaperQT-10試紙監測水樣,分析后數值在300視為合格。在鈍化8小時候開始***組監測數據,后續監測時間間隔分別為2h、1.5h、1.5h。統計數據如下表所示。
表-3 減壓塔鈍化現場試紙分析數據統計表
Vacuum tower chemical cleaning checking data
試紙數據 paper | 減頂 Top | 減一 First residue | 減二/ 減一中 Second residue | 減三/ 減二中 Third residue | 過汽化油 Vaporization oil | 減底 bottom |
***次 first | 100 | 200 | 200 | 300 | 200 | 200 |
第二次 second | 100-200 | 200 | 300 | 300-400 | 200-300 | 200 |
第三次 third | 200 | 300 | 300-400 | 400 | 300 | 300 |
第四次 fourth | 200 | 300 | 400 | 400 | 400 | 400 |
從數據分析上看,與開塔后檢查結果相符合,減頂至減一段油垢清洗和鈍化效果均不理想。而數據變化的趨勢,也符合加劑過程正常變化,減壓塔只有一處加劑點,試劑隨進料進入減壓塔,首先是離進料段位置***近的減三段、過汽化油段反應合格,隨著時間的推移,減二、減底采樣位置也陸續合格。其變化趨勢如圖-11所示。

圖-11 減壓塔鈍化反應趨勢變化圖
4、氣相清洗與液相清洗比較
2014年常減壓裝置經過氣相清洗后,比較與以往的液相清洗,包括柴油化學清洗和液相鈍化,各有優勢,但是氣相清洗更為符合裝置的實際情況。
4.1柴油化學清洗與氣相清洗比對
柴油化學清洗 Disel chemical cleaning | 氣相清洗 Vapor phase chemical cleaning |
溶解設備內積存油垢 Dissolve deposite in unit | 大量退油后,隨蒸氣重油清洗設備內積存油垢 After deinventarary, cleaning deposite carrying with steam |
降低換熱設備清洗費用 Decrease cost of cleaing exchangers | 降低換熱器清洗費用 Decrease cost of cleaing exchangers |
縮短停工時間,降低勞動強度 Cut shutdown time | 縮短停工時間 Cut shutdown time |
清洗用柴油難回煉 Disel hard to reprocess | 有效時間內延長蒸塔時間 Extend steaming time |
在縱向對比上,停工階段除了關注停工效率外,更注重檢修階段的安全施工,因此在蒸汽壓力不能充分保證的情況下,同一時間區間內延長蒸塔時間對安全檢修是一份保證。
4.2液相鈍化和氣相清洗鈍化比對
液相鈍化 Liquid deactivation | 氣相鈍化 Vapourphase deactivation |
借回流流程液相清洗,填料破損后分布不均,影響鈍化分布 Refluxing cleaning, hard to cleaning completely | 隨蒸塔蒸汽氣相清洗,不受設備內部條件制約 Vapourphase cleaning cleaning completely |
耗水量大,污水處理量大,且需要單獨處理 Large consumption water, hard to diposal | 耗水量僅為配劑消耗,用量少,污水處理負荷小 No consumption of water |
縮短停工時間 有效延長蒸塔時間 Shorten shutdown time and extend steaming time |
氣相鈍化除了具有液相鈍化無可比擬的優勢,在使用效果、節能減排上均效果突出,且對于有限的停工過程而言,停工效率高。
5、結束語
總體而言,氣相清洗較以往的停工柴油化學清洗和液相鈍化具有節水、反應充分的優勢,但是在細節上還需要考慮***,在蒸汽壓力略低的情況下,蒸塔的效果不理想,此時可以考慮多點給汽進行氣相鈍化,利用蒸汽擴散至各鈍化位置,起到較好的效果。

豫公網安備 41032202000110號